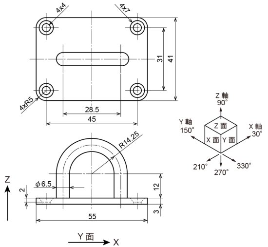
今回は以下の様な図面です。
まあ、何かの箱の蓋になるような部品ですね。
実は、これも2021年6月12日(土)に開催予定だった、『Adobe Illustratorで機械部品を書いてみよう!』というセミナーで皆さんと書いてみる予定だった課題の1つです。
https://www.javc.gr.jp/katsudou/210612.html
課題図の肝は取っ手のようなU字型の部分の作図ですね。
特許図面なので形状がわかれば良い程度の作図ですと寸法など気にせずに書いてしまいますが、寸法通り描くテクニカルイラストレーションではそうもいきません。
この手の作図方法は確かどこかで記述したような気がしていますが、ご覧になっている方全てが全ページ読んでいるなどありえないと思いますので、重複する部分も出てくると思います。
まあ、同じような形状を何回も描いてみるというのはテクニカルイラスト上達の早道だと思いますので、何卒ご了承ください。
それでは書いてみます。
下の板に関しては、普通にアイソメ図を描くよりは図面通りに平面で描いてひしゃげて成型する方が早いと思います。
もちろん手書きで描くにはそのままアイソメ図で書くのですが、パソコンは便利ですね...。
後から楕円の長軸・短軸のアンカーポイントが使いやすいように、円を全て45°回転させておきます。
円を全て選んで、個別に変形で45°回転させます。
個別に変形は、変形させる図形を選択後に右クリック→変形→個別に変形(N)...です。
ショートカットは、変形させる図形を選択後、Ctr+Shift+Alt+Dです。
次に、全体を選択後、左回転で45°、水平方向100%・垂直方向57.738%に拡大・縮小します。
このままでは等測投影図ですので、122%拡大して等測図にします。
大きい方の楕円4つを残して、その他を3mm270°方向にコピーします。
小さい方の楕円4つを2mm270°方向に移動します。
不要部分を削除し、板の両端の稜線を追記して板部は完成です。
次に肝の取っ手部分です。
いくつかチョットしたテクニックを使いますので、あちこちで応用してみてください。
まず、取っ手が板上面の中心からの28.5mmの直径で配置されているため、板上面の中心を求めます。
簡単に求めるために、Illustratorの”属性“の”中心を表示“を利用します。
板の上面を選択し、属性パネルの”中心を表示“をクリックします。
すると、上面の中心が選択できるようになりますので、そこを通る150°方向の直線を引きます。
引いた直線を、30°/210°方向にそれぞれ14.25mmずつコピーし、最初の直線を削除します。
同様に、板上面の中心から30°方向の直線を引きます。
これで、取っ手の板上面の位置がわかりました。
次に、板上面の中心から90°方向に12mmの直線(直線ツール使用)を引きます。円環部分の中心です。
直径28.5mmの35°楕円を作成し、今引いた直線の上端に中心を合わせます。
中心を通る30°方向の直線を引き、その線の下側を削除します。
ペンツールで半楕円の両端と先程の補助線の交点を結びます。
このU字形の太さを指定します。
Illustratorの初期設定ですと線の太さの単位はポイントで、これでは設定が難しいので環境設定で単位をmmに変更します。
U字形の太さはφ6.5ですので、等測図なので1.22倍の7.93mmとなります。
U字形を選択し、線パネルの線幅に7.93と入力します。
太くなった線を選択し、オブジェクト→パス(P)→パスのアウトライン(U)を選択します。
選択状態で Shift + x で線と塗りを反転させます。
同様に選択状態でI(アイ)キー(スポイトツール)を押し、板のどこかの線をクリックします。
特に変化はないように見えますが、板の線と同じ属性にするためです。
このサイトでは、通常イラストを書く時の線の属性として、線端は”丸形線端“を、角の形状は”ラウンド結合“を推奨していますが、先程の線と塗りを反転させた場合、線端は”バット線端“、角の形状は”マイター結合“となっているため、属性をスポイトしたのです。
次に、6.5mmの35°楕円を作成し、U字形の板との交点に配置します。
不要部分を削除して完成です。
ラインウェイトを付けるとこんな感じです。
では。

