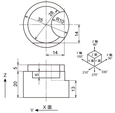
【練習問題041】![]() |
課題図(PDF) 標準解答図(PDF) |
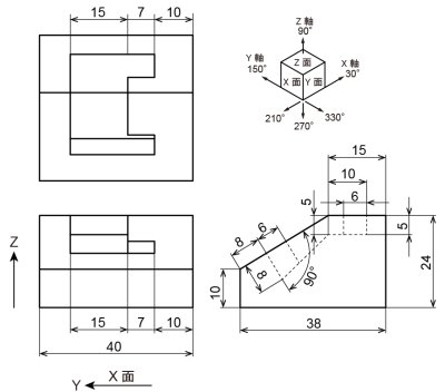
【練習問題042】![]() |
課題図(PDF) 標準解答図(PDF) |
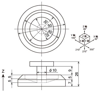
【練習問題043】![]() |
課題図(PDF) 標準解答図(PDF) |
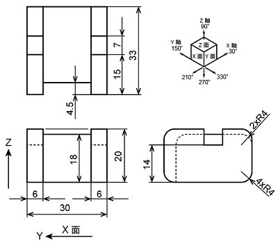
【練習問題044】![]() |
課題図(PDF) 標準解答図(PDF) |
【練習問題045】![]() |
課題図(PDF) 標準解答図(PDF) |
【練習問題046】![]() |
課題図(PDF) 標準解答図(PDF) |
【練習問題047】![]() |
課題図(PDF) 標準解答図(PDF) |
【練習問題048】![]() |
課題図(PDF) 標準解答図(PDF) |









