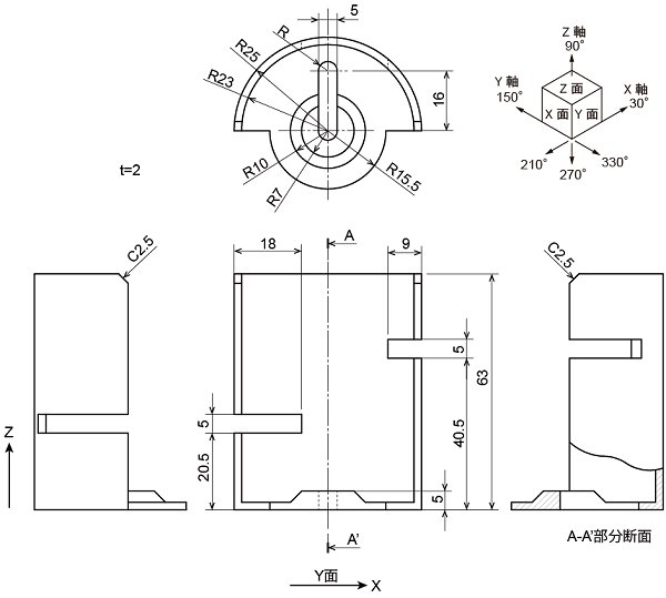
今回の図面は以下の様なものです。
コップを縦に半分に切断して、壁にスリットが入っています。
そこは一部盛り上がっていて、中央に長丸穴が段差に渡って空いている形状ですね。
それではまず、コップの形状を書いていきます。
一番上に全ての楕円を配置します。
R25、R23、R15.5、R10、R7、φ5の全てです。
φ10を作って拡大/縮小ですね。
X軸方向の中心線を引き、その線と共に一番大きい楕円を63mm/270°にコピーします。
R23の楕円を中心線と共に61mm/270°にコピーします。
縦割りにした両側の縦線を引きます。
不要部分を削除して、とりあえずコップの外形を仕上げます。
サイドのスリットを書きますが、少し邪魔なので底面の楕円群を61mm/270°の移動します。
スリットの位置が図面ではしたからの位置で書かれていますが、今の書き方ですと上からの方が都合が良いので、上から手前が37.5mm、奥が17.5mm/270°にコピーします。
それぞれ5mm/270°にコピーします。
奥の上の楕円の端点から150°方向に直線を引きます。
9mm/210°に移動して、スリットの最終端を求めます。
そのまま奥側のスリットを完成させます。
手前も同様に楕円端点から150°方向に直線を引き、18mm/30°に移動、不要部分を削除してスリットを完成させます。
底面内側の楕円が手前のスリットで見えてしまいますので、再度上の楕円を61mm/270°にコピーして書きます。
底面を書きます。
一番大きい楕円を2mm/270°にコピーして成形します。
一番小さい楕円を16mm/150°にコピーし、接線を引いて長穴を作ります。
小さい方の楕円と長穴を3mm/270°にコピーします。
不要部分を削除します。
長穴の稜線をつなぎ、楕円同士の右の接線を引き、不要部分を削除して完成です。
ラインウェイトを付けるとこんな感じです。
では。

