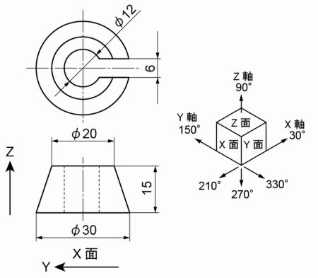
今回は、下図の様な円錐台を上から見たときに、C字型になるような貫通穴と切りかきがある形状です。
先にテクニカルイラストの円錐台を描いて、貫通穴と切りかきを描き足してもいいのですが、今回は最初からその部分を考慮して描いて行くことにします。
テクニカルイラストは描く人によって描き方は大きく違いますが、結局出来上がったテクニカルイラストは同じ物になります。
まず底面です。
10mm楕円を作り、300%拡大コピーします。
真ん中の貫通穴の直径は12mmですので、10mm楕円を120%に拡大コピーします。
切り描き部分の幅は6mmですので、10mm楕円の直径を使って描きます。
10mm楕円を60%に縮小コピーします。
Pキー(ペンツール)でその中心から30°方向にマウスを移動させ、スマートガイドで6mm楕円との交点が現れたらクリック。
そのまま330°方向へ移動し、30mm楕円との交点でクリックして直線を引きます。
同様に、210°方向と6mm楕円の交点、そこから330°方向と30mm楕円の交点を結びます。
このように、テクニカルイラストでは35°楕円の直径や半径を利用して長さを求めるテクニックを良く使用します。
不要部分を整理すると以下のようになります。
10mm楕円は残しておきます。
次に、高さ15mm、90°方向へ、30mm楕円以外をコピーします。
上面の直径が20mmですので、コピーした10mm楕円を200%に拡大します。
底面と上面の”共通接線”を引きます。
切りかきの線と20mm楕円の不要部分を削除し、底面の10mm楕円も不要ですので削除します。
切りかきの上下を結ぶ直線を、Pキー(ペンツール)で引きます。
あとは、見えなくなる部分を削除して完成です。
今回はたまたま円錐台の高さと中央の貫通穴の直径の関係で下の穴部分は見えませんでしたが、台が低く穴が大きいと下の穴部分も見える可能性があるので、今回の描き方をして下の穴部分も最後まで残しておきました。
では。
![]() |
![]() |
![]() |
![]() |





