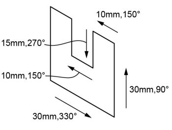
今回は、以下の図面から立体図を描いてみてください。
昨日”座標法”について書きましたが...別にご意見いただいたわけではないのですが、ちょっと補足です。
基本的に座標と言うと絶対座標ですよね...つまり、原点からX軸方向に何ミリ、Y軸方向に何ミリという...。
でも、昨日の描き方は何ミリ何十°方向という描き方でした。
ちょっと違うでしょ?
言うなれば、相対的距離角度法...面倒ですよね...なんで、ざっくり”座標法”と書きました。
本当の”座標法”は、どこまで行っても原点からの座標で描いていきます。
一応補足として...。
ここでちょっと先行く人は「じゃあ、立体図なんでX軸方向にXmm、Y軸方向にYmm、Z軸方向にZmmっていうのはどう描くの?」なんて思ったりして...。
そういうのは、とりあえずもっと先で書きますね...今は等測面上の位置で描いていきます...これで描ける様にならないと先行ってつまづきます!
では、今日の課題です。
今回からあまり詳しく説明しません。今までの説明で、この程度の図面は描けるようになってきたかと思います。
まあ、今まであまり出てこなかった部分は説明していきたいと思いますが...。
C面取りについては先日の説明の通りです。
Y面に破線(機械製図では点線とは言いません。点とは”長さの無い線”と定義されていますので、点線とは長さの無い線で構成された線という事になり矛盾するからです。)がありますが、これはY面上ではないけど奥の方に破線に該当する斜めの面が存在しますという事です。
これを、”かくれ線”と言います。
また一番奥にC8の線も出てきそうですが、C8と明確に書いてありますし、破線を重ねて描くこともほぼしません。
まず¥キー(直線ツール)で以下の様にX面を描いていきます。
とりあえずC面取りは無視します。
残りの線はコピーで良いと思います。
Aキー(ダイレクト選択ツール)で矢印のアンカーポイントをクリックします。斜め10mmか縦の30mmの線のどちらかのアンカーポイントが選択されると思います。
(もしPキー(ペンツール)で最後に線をつないでいる場合は、Cキー(はさみツール)で切ってください。)
この場合10mmの線が選択されていますので、このままEnterキーを押して移動のボックスを開き、移動距離8mm、角度330°としてOKをクリックします。
同様に、30mmの縦線も移動させ、2つのアンカーポイントをPキー(ペンツール)でつなぎます。
右下はC5ですので、Aキー(ダイレクト選択ツール)でアンカーポイントをクリックし、5mmの移動です。
これでX面が完成です。
Y面は特に問題はないかと思います。
Z面はまず奥の30mm、30°の線を引き、奥をつなげます。

次に、切欠き部分を描きます。
ここまで描くと、かくれ線(破線)の謎も解けると思います。
今回の課題はこれで完成です。
気づいたと思いますが、C面取りは今回の位置ですと面が現れず、X軸方向と一緒になります。
では。
![]() |
![]() |
![]() |
![]() |





