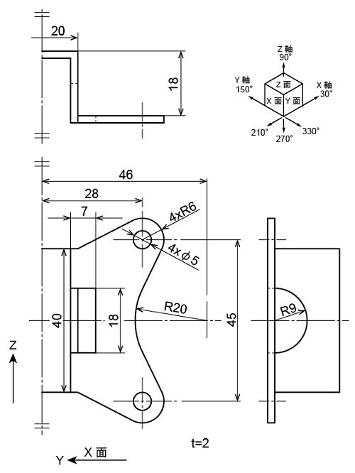
今回は、以下の様な図面です。
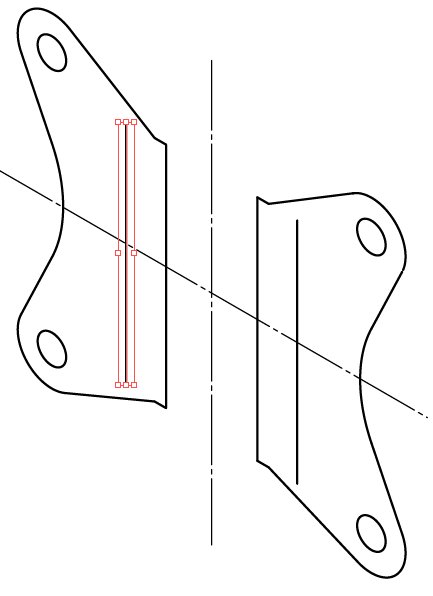
特徴的なのは、中心線の左の図面が無いという事です。
中心線の上下に二重細線があり、この中心線で左右対称であるという事を示しています。
図面の紙面節約や描く手間の削減のためにあるルールですね。
平面書いてアイソメ変換で作成していく方法もありますが、今回は普通に書いてみます。
φ5とφ12の35°楕円を描いて、垂直方向45mmにコピーします。
全て選択して28mm/150°に2回コピーします。
単純に中心線が欲しかったから2回コピーしました。
上部の2楕円間に直線を引き、22.5mm/270°に移動して少し拡大します。
中心線を左右共に46mmコピーします。
左右の交点にφ40楕円を配置します。
それぞれ接線を引き、不要部分を削除します。
垂直40mm直線を中心線上中央に配置し、左右10mmコピーします。
直線のアンカーポイントからそれぞれ楕円に接線を引きます。
不要部分を削除し、板厚の2mmの分、垂直線をそれぞれ内側に移動します。
稜線をそれぞれ引きます。
縦線をそれぞれ7mm/330°および150°方向にコピーします。
中心間に直線を引き、上下に9mmづつコピーします。
線を整理して開口部を作成します。
板厚を付けて、不要部分削除、厚みの稜線を追加します。
奥行のコの字の形状を書きます。
Y面当ての中心線の交点に配置して210°方向を削除、2mm/30°に移動します。
8mm・10mmづつ、330°・150方向にコピーします。
稜線を整理して完成です。
ラインウェイトを付けて以下の感じです。
では。

