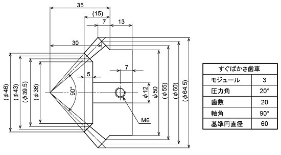
今回の図面は以下の様なものです。
あまり普通は見る事は少ないと思いますが、”すぐばかさ歯車“と呼ばれるものです。
フリー素材サイトから実際の写真をと思いましたが、なかなか良いものがありませんが、一応...。
この図面は、令和2年度テクニカルイラストレーション技能検定試験1級課題に登場する歯車の歯形を再現したものです。
M6のネジ穴の辺りの形状は、少し簡略化しました。
手書きの時代は、楕円を楕円分度器で歯数分に割り振って歯形を書いていきましたが、Illustratorではその書き方は効率が悪すきますので、平歯車と同様に平面で書いてアイソメ図に変換していきます。
それでは書いていきたいと思います。
まず、左側の小さい方の歯形を書いてみます。
φ46・φ39.5・φ36・φ12の正円を書き、中心を一致させます。
なお、φ43の基準円は不要です。
また平歯車の時は要目表も使用しましたが、今回の図面は必要寸法がほとんど入っていますので不要かなと思います・・・歯数だけは使いますが...。
中心から垂直線を書き、歯数20なので円の中心を支点に18°回転コピーします。
刃先円と直線の交点間に直線ツールで直線を引き、再度¥キーを押して近くをクリックすると、直線ツールのダイアログボックスが出て、今書いた直線の長さと角度がわかります。
その角度を参考に±XX°で回転させて、水平にします。
水平線を直径とする正円を書き、1/3(33%で可)にします。
これが歯の刃先側の歯幅です。
歯車中心に刃先円の1/5程度の円(φ46/5=φ9.2)を書きます。
不要な線を削除し、2つの円間で接線を引きます。
平歯車の時と同様の方法で歯形を作成します。
(https://ti-master.biz/custom206.html)
歯数20なので18°づつ回転させて、その後歯底円と共にパスファインダーの合体で1つにします。
次に後ろ側の歯形を作ります。
φ64.5・φ55・φ50の3つの正円を書きます。
その後の書き方は、先程書いた書き方と同じですので省略します。
両方の歯形の中心を一致させ、円3つだけ45°回転させます。
アイソメ図に変換します。
全体を45°回転させ、縦方向のみ57.738%に縮小変形し、全体を-60°回転させます。
等測図にするため122%に拡大します。
それぞれを30°方向に移動するために2つだけ不明な寸法があるので、そこだけ実測します。
それは以下の2個所(赤太線)です。
判りやすくするために後ろ側の歯形は非表示にしておきます。
楕円2つを5mm/30°に移動し、ロックを掛けます。
歯形の歯底円部分のみをダイレクト選択ツールでShiftキーを押しながら全て選択し、3.25mm/30°に移動します。
ロックを解除し、非表示にしていた後側の歯形を表示させ、反対に今書いていた前側の歯形を非表示にします。
次に楕円を15mm/30°に移動、さらに13mm/30°にコピーします。
楕円を非表示にし、前側の歯形と同様に歯底円部分のみをダイレクト選択ツールでShiftキーを押しながら全て選択し、4.586mm/30°に移動します。
先程移動するのを忘れました(すみません...)ので、後ろの歯形を15-7=8mm/30°に移動します。
なるべくスッキリするために、楕円の不要部分を削除します。
今回は歯数が偶数ですので、最後に中心線でリフレクトして歯形を完成させますので、今回は図の中心線より下側のみ前後の歯形を繋いでいきます。
判りにくいので、後側を赤にしました。
リフレクトします。
線を整理して完成です。
ラインウェイトを付けると以下の様です。
では。

