テクニカルイラストという種類のイラストをご存知でしょうか。当サイトはテクニカルイラスト(アイソメ図)の描き方についてご説明しています。
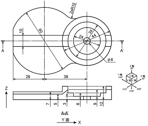
課題図(PDF) / 標準解答図(PDF)
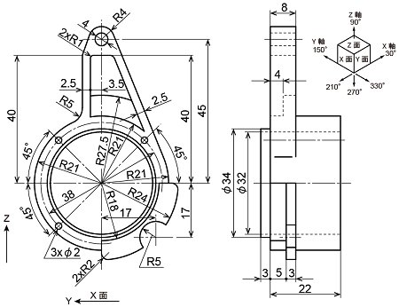
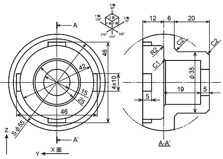
課題図(PDF) / 標準解答図(PDF)類似課題図(PDF) / 類似標準解答図(PDF)