2022年、第1回目です。
今回は以下の図面です。
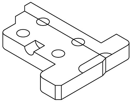
平面的なブロック物ですが、段差があったりへこみや穴が開いた形状です。
段差があると間違うという話を聞いたこともありますので、よろしくお願いいたします。
まず平面図を書いて段差を付けていきます。
段差無しで平面を書きます。
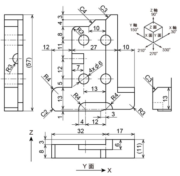
矢印の所のC3は45°となりますので見えなくなります。
段差の境界線を引きます。
4つの穴を書きます。
丁度へこみのR4の中心が穴と中心が一致していますので、そこにφ6の楕円を置いてコピーしていきます。
右下のへこみ形状を書きます。
側面のR3です。
外形を8mm下方へコピーします。
稜線を整理します。
3mmの段差分、奥側の面を持ち上げます。
その際、φ6の穴の段差部分を切ります。
稜線をつないで整理します。
手前のへこみ分面を下げて完成です。
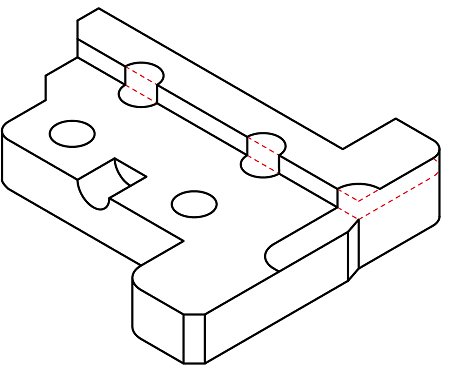
ラインウェイトを付けるとこんな感じです。
年初もあって、軽い感じの課題でした。
では。

