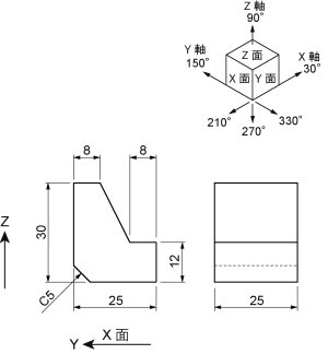
【練習問題001】![]() |
課題図(PDF) 標準解答図(PDF) |
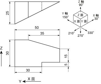
【練習問題002】![]() |
課題図(PDF) 標準解答図(PDF) |
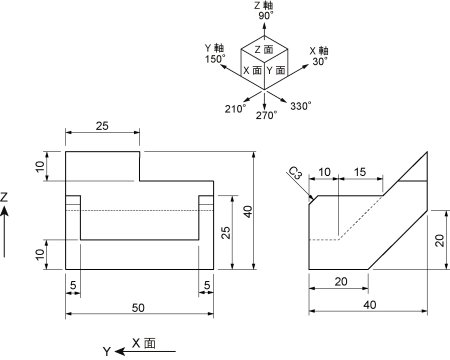
【練習問題003】![]() |
課題図(PDF) 標準解答図(PDF) |
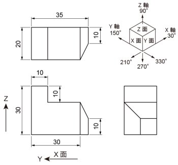
【練習問題004】![]() |
課題図(PDF) 標準解答図(PDF) |
【練習問題005】![]() |
課題図(PDF) 標準解答図(PDF) |
【練習問題006】![]() |
課題図(PDF) 標準解答図(PDF) |
【練習問題007】![]() |
課題図(PDF) 標準解答図(PDF) |
【練習問題008】![]() |
課題図(PDF) 標準解答図(PDF) |
【練習問題009】![]() |
課題図(PDF) 標準解答図(PDF) |
【練習問題010】![]() |
課題図(PDF) 標準解答図(PDF) |











