テクニカルイラスト練習問題(部品図編)その7

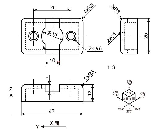
【課題051】

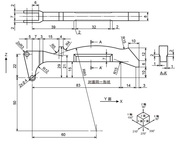
【課題052】

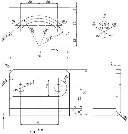
【課題053】

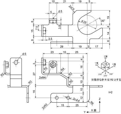
【課題054】

【課題055】

【課題056】

【課題057】

【課題058】

【課題059】

【課題060】

C.T.I.Tayamaバナー