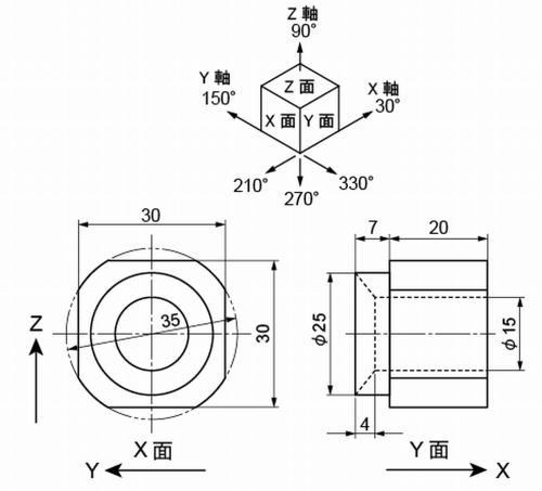
今回は以下のような形状をテクニカルイラストで描いてみましょう。
直方体の4隅の角を楕円の切削工具で削り取ったような形状です。
まずX面から描いて見ましょう。
削られた角はとりあえず無視して、普通にテクニカルイラストで1辺30mmの正方形を描きます。
次に、直径10mmの35°楕円を作成し、コピーして使用します。
X面ですので、Z面で作成した10mm楕円を120°回転させます。
Vキー(選択ツール)で選択後、Rキー(回転ツール)を押しEnter押下。角度に120°と入力しOKをクリックします。
小さい穴が直径15mm、円柱状の形状の直径が25mm、角を削る直径が35mmですので10mm楕円をそれぞれ拡大して作成します。
10mm楕円をVキー(選択ツール)で選択後、Sキー(拡大・縮小ツール)押下。
拡大・縮小のボックスで縦横比を固定に150%と入力してコピーをクリックします。
再度10mm楕円をVキー(選択ツール)で選択後、Enter押下。基本的に使用したツールは別のツールを使用するまでの間有効となっていますので、拡大・縮小のSキーは押さなくてもツールが有効の状態です。
拡大・縮小のボックスで縦横比を固定に250%と入力してコピーをクリックします。
再度10mm楕円をVキー(選択ツール)で選択後、Enter押下。
拡大・縮小のボックスで縦横比を固定に350%と入力してOKをクリックします。10mm楕円は残しておく必要は無いので、最後はOKクリックで良いです。
これで、中心を同じくした楕円が3つ出来ていると思います。
先ほどのテクニカルイラストにおける正方形の直線4本をVキー(選択ツール)で全て選択後、Ctrl + Jキー(連結)を押します。
連結ですので、4本の直線は1つのオブジェクトになります。
Vキー(選択ツール)で正方形、楕円3つを全て選択後、続けて正方形を再度クリック。
すると、下図の様に正方形が少し太い選択状態になります。
これは全てを正方形がある位置を基準にまとめる方法です。今後、何かの役に立てばと思いますので、覚えておくと良いかと思います。
ウィンドウ → 整列で、整列のボックスを出します。
現れた整列ツールの”水平方向中央に整列”をクリックします。
すると下図の右のように、正方形の位置で1つにまとまります。
この状態ですと上下方向の中心になっていませんので、再度 、Vキー(選択ツール)で正方形、楕円3つを全て選択し、整列ツールの”垂直方向中央に整列”をクリックします。
今回は既にほぼ同じ位置にありますので、正方形を2回クリックする必要はありません。
すると下図のように全ての中央が一致します。
Vキー(選択ツール)で正方形と一番大きな楕円を選択し、ウィンドウ → パスファインダーで、パスファインダーのボックスを出します。
現れたパスファインダーのボックスで、交差をクリックします。
すると下図の様に簡単に角が削られた状態になります。
この部分は厚みが20mmですので、Vキー(選択ツール)で選択し、Enter押下。
移動のツールボックスで移動距離を20mm、角度を30°としてコピーをクリックします。
手前と今コピーした形状の稜線等必要な線ををPキー(ペンツール)でつなぎ、不要部分をCキー(はさみツール)で切って削除します。
次に前面の円柱です。
楕円2つをVキー(選択ツール)で選択し、Enter押下。
移動のツールボックスで移動距離を7mm、角度を210°としてコピーをクリックします。
奥の15mm楕円を削除し、直径25mmの円柱を完成させます。
隠れる部分も削除します。
これで完成と思いきや、図面を見てください。直径15mmの穴の位置が、最前面より4mmへこんでいるのが判ると思います。
従いまして、Vキー(選択ツール)で15mm楕円を選択し、Enter押下。
移動のツールボックスで移動距離を4mm、角度を30°としてOKをクリックします。
不要部分をCキー(はさみツール)で切った後、削除して完成です。
では。
![]() |
![]() |
![]() |
![]() |





