ほとんどの方は、さすがに六角ボルトは見たことがあると思います。
機械製図的には、例えば以下の様に表されます。
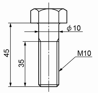
ただ、規格品であるため図面に表される事はほとんど無く、部品表に数字&記号のみで記載されるのが一般的だと思います。
数字&記号のみで表すと例えば、M10×45などとなります。
これは、ネジ部の太さが直径10mmで長さが45mmという事です。
この表記ですと基本的に全ネジという事で、それはネジ部Lは六角頭の根元までネジが切られている(螺旋状になっている)という事です。
これに対して例えば半ネジ(途中までしか螺旋状になっていない)の部分の長さBが35mmであるとすると、M10×45×35などと記載されます。
Kは六角部分の頭高さですが、例えばおおよそM4:3mm、M8:5mm、M10:7mmなどとなりますが、テクニカルイラストではあまり意識せず、寸法が入っていればその寸法で、入っていなければ全体のバランスで描くことがほとんどです。
テクニカルイラストで六角部分を描く場合、面間距離のSはあまり意味がありません。
六角部分で必要な寸法はEとなりdの2倍(2d)として描きます。また、φdsはM10の場合は10mmで描きます。
M10×30×20の半ネジを描いてみます。今回はKを7mmとします。
まずは、六角頭が上の位置にある場合です。
①.φ10の35°楕円を描き、37mm/270°にコピーします。
②.2dの80%程度(160%)の大きさの楕円を、上の10mm楕円から作成します。(この80%というのは大まかにですので、出来上がりによっては調整が必要です)
③.10mm楕円を2倍して2dを作ります。
④.20mm楕円を7mm/270°方向へコピーします。交錯して判りづらくなるので、コピーした楕円の向こう側を消します。
⑤.上の20mm楕円の下側を消します。
⑥.残った上だけの20mm楕円の上野アンカーポイントを、160%にした小さい楕円の上と下のアンカーポイントにコピーして、元の20mm楕円は削除します。
⑦.全てを選択してCtrl + 2キー(ロック)で動かないようにロックします。その後したの10mm楕円から垂直に上の20mm楕円まで直線を引きます。
⑧.その上のアンカーポイントから上の20mm楕円の右のアンカーポイントまで曲線を描きます。この時曲線の途中が160%にした小さい楕円に接触させます。
⑨.その終点のアンカーポイントから垂直下に、下の楕円まで直線を引きます。
⑩.その終点から下の20mm楕円とネジ部稜線との交点まで直線を引きます。
⑪.⑦から⑩まで描いた部分を、楕円の下のアンカーポイントを基準に垂直にリフレクトしてコピーします。
⑫.斜めの線の左右を直線でつなぎ、20mm楕円の不要部分を削除します。
⑬.下の⑩mm楕円の上半分を削除し、残った部分を20mm/90°方向へコピーします。
⑭.2つの10mm半楕円でブレンドをして、間に楕円を作成します。今回は10個作りました。
⑮.完成です。
ネジ目(最後に作った部分)は、実際は凄く細かいですがテクニカルイラストで描く時は今回程度にしておかないと、印刷した時に真っ黒になってしまいますので注意が必要です。
平先でも丸先でも、六角頭が一番手前の場合は45°上から見ていますので、下側になる面取や丸い形は見えなくなります。
次に、六角頭が一番向こうにある場合の描き方です。
①.10mm35°楕円を描きます。その後、30mm/270°方向にコピーします。
②.コピーした10mm35°楕円を200%にコピーします。
③.200%にした楕円を、270°方向にコピーします。
④.ボルトの稜線を描き、その延長上の六角頭の線も描きます。
⑤.今描いた直線を利用して六角形を描きます。ボルトの稜線と200%楕円との交点、200%楕円の左右のアンカーポイントを結んでいきます。
⑥.不要な線を削除して、六角頭の稜線を引きます。上の200%楕円は削除し、下の楕円はそのまま使用します。
⑦.上の楕円の下側を20mm/270°方向へコピーします。
⑧.コピー元とコピー先の2つの半楕円の間でブレンドを適用します。今回は10個にしました。
⑨.最後に8mm程度の楕円を、一番上の10mm楕円とお互いの上のアンカーポイントをくっつけて配置して完成です。
いかがでしょうか。
通常、テクニカルイラストを描いている企業やフリーランスの方々は部品として登録しておいて使用するのが一般的ですので、最初からきちんと描けない人もいるのではないでしょうか。
テクニカルイラストレーション技能検定試験では、このような描き方をしていないと減点となる場合があるようです。
是非、描けるようにしておいてください。
では。

