例えば、ペットボトルのキャップなど、円柱形状の上の部分に丸みが付いている形状があります。
以下の様な形状です。
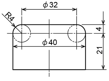
直径40mm、高さ25mmの円柱の上部の角が一周R4でぐるりと丸められています。
3Dでモデリングするならこの形状を描いて、中心線を基準に180°回転させてしまえば一発で出来てしまいます...。
ただテクニカルイラストではそうはいきません。
先に直径40mm、高さ25mmの円柱を描いてから上部の丸みを作ろうとすると、それぞれの位置での正しい楕円度の楕円を求めて配置する必要があります。
※この件に関しては、計算無しで図のみで解決できないか試行錯誤中...
ではどう考えるか...。
下図の様に図面を書き替えます...言っていることは同じですが、表現が異なります。
この図面からR以外の部分をアイソメ図にします。
上面をぐるりとR4が回りますが、これは楕円ではなく球として考えます。
つまり上図の一点鎖線をφ8の球の中心位置と考えて、円を配置します。
もちろん等測図で描いていると思いますので、122%必須です。
また、手前側はRが現れてこないので省略です。
この球の外側を楕円で結ぶのですが、手書き時代は楕円度の異なるテンプレートを使用して描いていました。
これは描いた楕円を後から変形するなどという事が出来なかったからです。
Illustratorでは、φ40の楕円のハンドルを操作して変形させ、球の外側を結ぶように外径を描いていきます。
不要部分を削除します。
この時一番上のφ32楕円は残します。
ラインウェイトとハイライトを入れて完成です。
ハイライトを入れる事で丸みを表現していますが、もっと良い方法があれば開拓してみても良いかと思います。
では。

