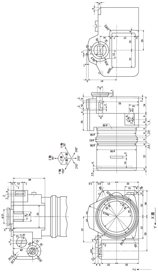
今回の外観図は、カメラの様な形状です。
要素が多いので背面図まで必要になり、横長になってしまいましたので画面上では回転させて縦に掲載しました。
PDFでは通常の横長ですので、そちらを参考にしてください。
また、外観図ですとさすがに1回では入り切りませんので、3~4回に分けて書いていきたいと思います。
【第1回】
レンズ部分と本体部分の所で分けて、今回は本体とその右側を書いてみたいと思います。
まず10mm楕円を書いて中心線を引きます。
640%に拡大コピーします。
同様に。850%に拡大コピーします。
縦の中心線を左右に16.5mmコピーします。
縦2本線の間のみ残し、楕円と縦線を削除します。
部分楕円の両端と64mm楕円とで接線を引き、不要部分を削除します。
横中心線を、21+8.5+3.5=33mm/90°にコピーします。
両端の斜線部分でカットします。
下図の部分を5mm/210°にコピーします。
次に、下図の部分を46-5=41mm/30°にコピーします。
線を整理します。
縦中心線の下の交点から、38mm/330°に直線を引き、その端点から53mm/90°に直線を引きます。
その端点から斜線と交わる所まで150°方向の直線を引き、それを8.5mm/90°にコピーします。
斜線との交点から直線を引き成形します。
上下のR8を書きます。
以下の部分を20mm/30°にコピーし、再度24mm/30°にコピーします。
線を整理します。
右下のつまみの様な部分の台座を書きます。
縦中心線の下の交点から、32mm/330°に直線を引き、その端点から6mm/90°に直線を引きます。
最後の端点から64mm楕円に接線を引きます。
補助線を削除し、接線の端点から14mm/90°に直線を引き、その端点から150°方向に直線を引きます。
線を整理し、上下のR5とR1.5を書きます。
以下の部分を3mm/30°にコピーし、再度17mm/30°にコピーします。
線を整理します。
今回はここまでです。
では。

