管体・パイプの書き方です。
丸棒で出来ている取っ手、針金などで出来たフック、割ピンなども同じような書き方ができますね。
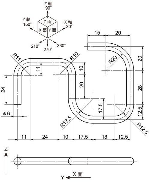
今回の図面は、以下の様なパイプを曲げたようなものです。
今回も等測図で書きますので寸法通り中心線を書くと以下の様になります。
それぞれの角を35°楕円でRを取っていきます。
以前、以下のページで角の丸みを描く方法をご紹介しています。不明な場合はご確認ください。
https://ti-master.biz/ippo_001.html
不要部分を削除すると以下の様になります。
なおこの時、線の先端形状は丸型先端に設定します。
線が繋がっていないようでしたら、全てを選択後 Ctrl + J を押してジョイントしておきます。
この後、管の太さを付けていくのですが、例えば手書きの頃はこのように6mmの円を中心線上に配置して、その稜線を結んで描いていました。
もちろん原寸で描いているので、太さも1.22倍する事になります(7.32mm)。
上図のように円の外側を繋いで稜線(赤線)としていました。
しかし現在はパソコンで書いていますので、Illustratorでは以下の様にするのが正解かと思います。
まず、Ctrl + K を押して環境設定を開き、単位の線(S)をミリメートルにします。
この線(S)とは線の太さで、初期設定ではポイントになっています。
書いている管の線を選択し、線幅を7.32mmにします。
ちなみに平面図をつぶして作る場合は等測投影図なので太さは6mmです。
線幅を7.32mmにした線を選択し、オブジェクト→パス→パスのアウトラインをクリックします。
その後、Shift + X を押して塗りと線を反転させます。
管の両端が丸いままですので、ここに6㎜の35°楕円を書きます。
上の図の矢印の部分のアンカーポイントに楕円の長軸のアンカーポイントを合わせて置きます。
その後不要部分を削除します。
しかし、今回の場合赤丸で示した部分が違和感あると思いませんか?
急にここだけ細くなったイメージです。
この様な場合、少し線を足してあげます。
手前の管が向こうより手前にあるよ感を出してあげると、立体感が出ます。
これで完成です。
何だか元の図面をそのまま利用すれば良いんじゃない...とお考えの方もいらっしゃるかと思いますが...。
管の太さがおかしいですよね...そうです、平面図を変形で書くとそれは板になってしまいます。
板の両端を楕円にしても...こんな感じでおかしくなります。
以下の様な板を書くのなら良いのですが...。
ご参考になれば。
では。

