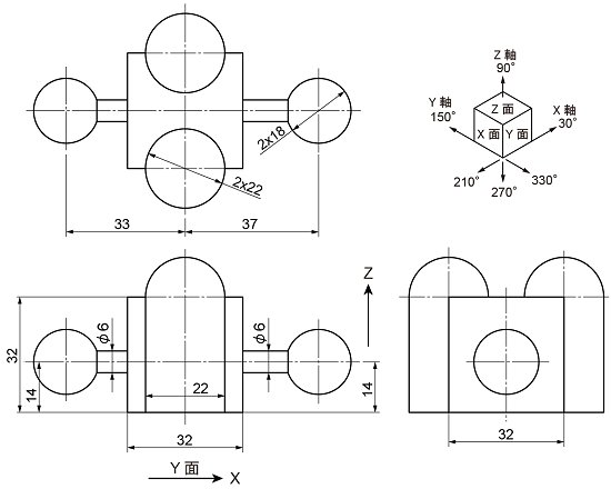
今回は以下の様な図面です。
単純な形状ですが、球が4つあります。
正面側にある円柱の上にある球と、背面側にある円柱の上にある球は同一直径ですのでコピーして使います。
側面方向の2つの球も同様です。
まずは□32のキューブを書いてしまいましょう。
次に、キューブの上の球を書きます。
Y面の上の編の中央に、φ22の球の中心を合わせます。
“楕円ツール”で直径22mmの円を作成し、そう、122%に拡大します。
作成した球の中央に合わせて、22mmの35°楕円を配置します。
この球と楕円を、32mm/150°方向にコピーしておきます。
手前の球で形状に現れてくるのは、楕円で表した面で切断されますので下図のようになるのがわかるでしょうか。
そうです。楕円の部分で切れば良いのです。
奥側は楕円とキューブが接している部分のみ楕円が残り、縦方向の線は以下の様になります。
不要部分を削除すると以下の様になります。
手前の部分は円柱形状がキューブ下端まで伸びますので以下の破線部分のみ削除し、残りの楕円弧とキューブの辺が交わる部分で“はさみツール”で切っておきます。
長く残っている楕円弧を32mm/270°方向へ移動します。
縦方向の線をつなぎ、不要部分を削除します。
手前の部分が何か違和感があると思う場合、下に移動した楕円弧を32mm/90°方向にコピーします。
接する部分を少し切って、それなりにアレンジします。
これで違和感が少し軽減できたと感じるなら、この表現は有りだと思います。
次にX面です。
6mm楕円を右下の角に配置し、16mm/150°方向に移動、さらに27mm/90°方向に移動させます。
この楕円を、33-16mm/210°方向にコピーし、さらに33+37mm/30°方向にコピーします。
このコピーした楕円の中心が、φ18の球の中心になります。
手前側は、単純に線の追加・削除で整えます。
奥側は、円の中心に18mm/35°楕円を配置し、中心の楕円を210°方向にずらして35°楕円と中心が接する所まで移動させます。
この位置がφ6円柱と球が接する位置です。今のところはこれで良いと思います。
厳密には、球体の表面ですので相貫線となりますので間違いです。相貫線についてはいづれどこかで記載します。
あとは、線の追加・削除で整えて完成です。
では。
![]() |
![]() |
![]() |
![]() |





