球を含んだ形状1

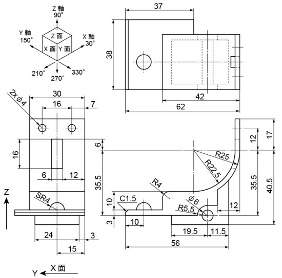
今回は、下図の様な部品をテクニカルイラストで描いてみます。

球を含んだ形状1-1




実は、以前から掲載している図面でY面のφ6の近辺の寸法がちょっと間違っていたようですので、上記のように修正しました。


自分で書いておきながら、ちょっと面倒...と思ってしまう図面です。


まず図面を見て、明らかに面として形状が現れているのがY面ですね...1つの面上に形が集まっています。

このような形状では、まずY面から描いていったほうが良いようです。


空間に円弧の中心がありますので、その円弧の中心線をX軸/Y軸の方向に描きます。

デジタル化されたテクニカルイラストでは中心線を描かないほうが一般的だと思いますが、手描きの時代は紙面のどこを基準に描くかは非常大事な事でした。

今回は円の中心が空間にありますので、中心線を描いておかないと見失うことになりかねません。



中心線の交点に、10mm/35°楕円を置きます。



Y面ですので、Lキー(楕円形ツール)で作った35°楕円を60度回転させるのでしたね。


次に、この楕円から図面のようにR25(φ50)とR22.5(φ45)を作ります。



Sキー(拡大・縮小ツール)で、500%と450%ですね。


右上奥の立ち上がりの部分を描きます。

X軸方向の中心線と楕円の交点から上方に17mmを、直線ツールで描きます。

その後、やはり¥キー(直線ツール)で上端をクリック&ドラッグしてつなぎます。



平面図で上に乗っている感じの部分の幅が42mmで、円弧の半径が25mmですので、その差17mmを楕円下端から210°方向に直線を描きます。



次に、この部分の高さは側面図から10mm/270°方向、そこから平面図で62mm-42mmで20mm/210°方向、厚みが3mm/270°方向に¥キー(直線ツール)で描きます。



右奥への距離は、平面図の62mmから側面図の12mmを引いた、50mm。

そこから上方へ円弧とぶつかるまで直線を引きます。



とりあえずここで不要部分を削除しましょう。



R5.5の中心ですが、上下方向は描いた図の下の線と同一の高さです。側面図で左の35.5mmは下面の高さ、右の35.5mmは中心位置です。

X軸方向は側面図の56mmから11.5mmを引いた44.5mmの距離ですので、左下に補助線を引いて移動させましょう。



ここにR5.5(φ11)を描き、垂直線との交点からX軸方向に線を引きます。



φ6も同一の中心ですので、本当は3mm奥まりますがここでこの面も描いておきます。

この面は、楕円垂直中心から30°/11.5mm、210°/19.5mmの幅と、楕円X軸方向の中心から40.5-35.5mmで270°/5mmとなります。



線を整理します。



実際にはこの面はY軸方向に3mm奥まります。



線を整理して、Y軸方向の奥行線も描いておきます。



C1.5を描きます。

Aキー(ダイレクト選択ツール)で角を選択すると、後から描いた縦線の上のアンカーポイントが選択されます。

その状態でEnterキーを押して、移動距離を1.5mm、角度を270°としてOKをクリックします。



再度、角だった部分のアンカーポイントをAキー(ダイレクト選択ツール)で選択し、Enterキーを押して、移動距離を1.5mm、角度を30°としてOKをクリックします。

この2つのアンカーポイントをつないで、C1.5が完成します。



次にR4を描きます。

10mm楕円を80%に縮小し、60°回転させます。

X軸方向の直線を描き、120°回転コピーしてZ軸方向の中心線を作ります。

全てを選択し、”整列”の”水平方向中央に整列”と”垂直方向中央に整列”を続けてクリックします。



Z軸と楕円の交点をX軸方向の線に接触させます。



X軸と楕円の交点を210°方向にドラッグし、垂直線に接触させます。



不要部分を削除してR4の完成。



正面図から上に乗っかったような形状部分の幅は30mm。150°方向にコピー。



Y軸方向の線を加筆。R4の部分は適当にハイライトを入れました。



せせり立った壁の穴を描きます。

上側の円の穴は、普通に右端から7mm/150°方向に縦線をコピー。上の線を17-12mmで5mm/270°にコピーして位置を検出。そこにφ4の楕円を置き、奥行方向2.5mm/30°にコピーして不要部分削除。

やってみると、奥行方向は見えませんでした。

あとはこれを16mm/150°にコピーして2穴完成。。




中央の角穴は、縦線とカーブの線にかかっているのでその両方を12mm/150°、さらに6mm/150°にコピー。



縦方向はカーブがあるのでY面の最初の中心線のX軸を利用。ここから投影します。

まず上方向は6mm/90°でコピー。下方向はそこから16mm/270°でコピー。



Y面との交点から150°方向に直線を2本引きます。



不要部分を整理します。



奥行方向の線は、Y面の奥側の線を18mm/150°方向にコピーして求めます。



下のベロのように飛び出した部分は、奥行が38mm/150°。そのまま30°方向に直線が延びますが、上の部分で途中から見えなくなります。



150°方向線を加筆。



最後に乗っかっている半球です。



Y方向線の上側を10-1.5mmで8.5mm/30°方向にコピー。

続けてX軸方向の線を15mm/150°方向にコピー。



ここに球を置きます。

Lキー(楕円形ツール)を押して適当な場所をクリック。出てきた”楕円形”ボックスの幅と高さは、SR4なので8mmにしてOKをクリック。



出来た円をSキー(拡大・縮小ツール)で122%に拡大し、先程の2本の線の交点に置きます。



10mm楕円を80%に縮小し、同様の位置に置きます。



幅方向は一致すると思います。

不要部分を削除して完成です。






いかがでしょうか。

では。