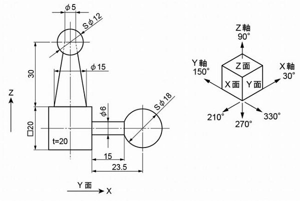
今回は、下図の様な部品をテクニカルイラストで描いてみます。

まず、下の□20(カクニジュウ)を描きます。
今までの多くは正面図がX面でしたが、今回はY面ですのでご注意ください。
また、キューブと球がメインですので、1面図で表現されています。(図面省略のため、t=20で代用しました)
ここまで読み進んできた方なら簡単だと思いますのでキューブの解説は割愛します。
上面の中央を求めるため、¥キー(直線ツール)で対角線を引きます。
対角線が選択状態で、属性の”中心線を表示”をクリックします。
すると、下図の様に中心線中央に中心が表示されるようになります。
上の球の中心まで30mmですので、まず直径10mmの35°楕円を対角線の中心に配置します。
次に、楕円を150%に拡大コピーします。
直径10mmの楕円を30mm、90度方向へ移動させます。
上の楕円は直径5mmですので、コピーした10mm楕円を50%に縮小します。
また、不要ですので対角線を削除します。
2つの楕円で”共通接線”を実行します。
不要な接線を削除します。
上の楕円の中心に合わせて、直径12mmの球を配置します。
以前書きましたが、球もまた122%に拡大して使用します。

122%に拡大したと言うことは、中心に直径12mmの楕円がピッタリ入るはずです。
以下の様な感じです。
不要部分を削除します。
立方体は奥側の球のための対角線を描くので残しています。
立方体の対角線の中心ですので、手前の稜線に重なりますね。
その交点から23.5mmの補助線を描きます。

この先端に直径18mmの球を配置します。
再度対角線を稜線の交点から15mmの補助線を引きます。
この先端に直径6mmの35°楕円を配置します。
楕円の長軸側のアンカーポイントから210°方向へ円柱の稜線を描きます。
不要部分を削除して完成です。
いかがでしょうか。
球も122%拡大することを忘れないようにしてください。
では。
![]() |
![]() |
![]() |
![]() |





