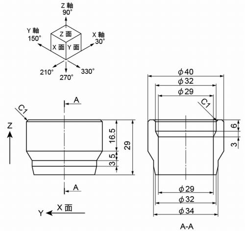
今回は、下図の様な筒状ですが面取りやテーパが多くある形状をテクニカルイラストで描いてみます。
上図で、左側が正面図になりますが、中心線に矢印とAという文字が見えます。
この中心線を通り、正面図と直行する平面で形状を切断し、その切断面を矢印の方向から見た形状がA-Aで表される図になることを表しています。
例えば特許図面を描いている人や接する事が多い人は、断面にした部分にハッチングが入っていないと思う片も多いかもしれません。
機械図面では、明らかに断面であることがわかる部分にはハッチングを入れなくてもよい...もっと言うとハッチングは必須ではないことになっています。
ハッチングは入れないと断面であることがわからない場合には入れますが、通常入っていないほうが多いと考えていたほうが良いかと思います。
上の形状は明らかに筒状で、断面部分は外周の壁に相当するところであり、そのほかには図面上ありえないのでハッチングは入っていません。
まず、面取りのC1を無視して、上面から描いていきます。
10mm楕円を作成し、選択後Sキー(拡大・縮小ツール)で400%、320%にそれぞれ拡大コピーします。
次に上部の面取りのため、10mm楕円を作成し、選択後Sキー(拡大・縮小ツール)で380%、340%にそれぞれ拡大コピーします。
40mm楕円と32mm楕円を共に1mm下に移動させます。
Vキー(選択ツール)でShiftキーを押しながら上記2楕円を選択後、移動のツールボックスで移動距離を1mm、角度を270°としてOKをクリックするんでしたね。
内側の穴部分を作成します。
32mm楕円は既に1mm下に移動していますので、穴の深さ6mm-1mmで5mmとなります。
32mm楕円をVキー(選択ツール)で選択後、5mm、270°方向にコピーします。
φ29の穴は上面から9mm下方ですので、10mm楕円をVキー(選択ツール)で選択後、9mm、270°方向にコピーします。
その場で10mm楕円を290%に拡大します。
不要部分を削除します。
下図の破線部分も不要ですので削除してください。
次に、大外の40mm楕円の”共通接線”を作成します。
40mm楕円と38mm楕円をVキー(選択ツール)でShiftキーを押しながら上記2楕円を選択後、ファイル→スクリプト→共通瀬線を適用します。
すると矢印部分に接線が引かれます。
その接線の端点と40mm楕円の交差する部分(下図矢印部分)で40mm楕円を切り、不要部分(下図破線部分)を削除します。
部分楕円になった40mm楕円を、16.5mm-1mm(C面取りの1mm)=15.5mm下にコピーします。
不要部分を削除し、上の40mm楕円と繋ぎます。
上面の10mm楕円を16.5mm+5mm=21.5mm下方にコピーし、340%拡大します。
34mm楕円を3mm下方にコピーします。
上側の34mm楕円と40mm楕円の共通接線を引き、不要部分を削除します。
下側の34mm楕円の上半分を削除します。
以前出てきたAキーで楕円の上のアンカーポイントのみを選択し、Delキー押下で上半分が削除できます。
細かいですが、今削除した残りの34mm楕円の左右の端点から、上方にPキーで垂直線を引きます。
上面の10mm楕円を29mm下方に移動し、320%に拡大します。
34mm楕円と32mm楕円の共通接線を引き、不要部分を削除して完成です。
いかがでしょうか。
では。
![]() |
![]() |
![]() |
![]() |





