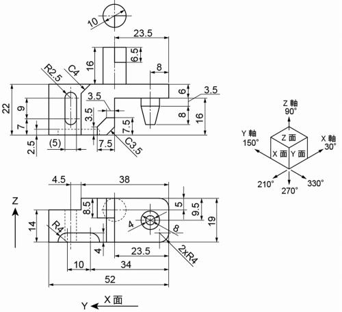
今回は、下図の様な形状をテクニカルイラストで描いてみます。
今まで説明させていただいてきた形状がたくさん入っています。
平面図の上の円の形状は、平面図で突起している円柱の上面の形状を示しています。
他の部分まで図面で表現する必要がない場合は、必要な部分だけ取り出して寸法等を入れる場合があり、これを「部分投影図」といいます。
もっと局所的に、例えば穴の形状とか窪みの形状とかのみを表すこともあり、これを「局部投影図」と呼びます。
それでは、X面とY面をメインに描いていきます。
まず、X面の右側です。今回はとりあえず面取りや角のRは無視して、おおまかに形状を描いてみます。
23.5mm/330°、19mm/270°の線を引き、それぞれ下図のようにコピーします。
¥キーで16mm/210°、38-23.5mm/150°の線を引きます。
今描いた線を下にコピーし、52-23.5mm/150°、14mm/90°、52-38mm/330°の各線を引きつなげます。
手前の角の面取りをします。
該当部分の角のアンカーポイントをAキーで選択し、それぞれ30°/150°方向に7.5mm移動させます。
移動させたアンカーポイントから¥キーで3.5mmずつ30°/150°方向へ直線を引きま、それを下図の様につなげます。
つながった3本の線を、270°方向8.5mm下にコピーし、コピー元と下図の様につなげます。
同様に、C3.5の部分も作図します。
2本の線のアンカーポイントをAキーで選択し、それぞれ30°/150°方向に3.5mm移動させます。
高さが19-8.5=10.5mmですので、各アンカーポイントから90°方向へ10.5mmの線を引き、それぞれつないで作図します。
次に、奥の長丸穴を描きます。
半径が4mmで高さが4mmですので、丁度半分ということです。
位置を求めるため手前の角から210°方向に補助線を引きます。(赤くしておきます)

この補助線を34mm/150°、そこから10mm/150ど方向にコピーします。
ここがR4の楕円の中心と言うことになります。
それぞれの交点に8mm楕円をコピーします。
楕円の中心から垂直方向に直線を描き、その交点同士をつなぎます。
不要部分を削除し、成形します。
30°方向に2.5mmコピーし整えます。
次に手前の円錐台を描きます。
位置は上から9.5mm、右手前から8mmで、根元の円柱が8mm楕円で高さが3.5mmです。
円柱を成形し、手前の楕円を8mm/210°にコピーします。
コピーした楕円が8mmで先端は4mmですので、50%に縮小して”共通接線”でつないで不要部分を削除します。
手前の角Rを作図します。
R4ですので8mm楕円を作成し、中心を通る150-330°方向の直線、同様に90-270°方向の直線を作図します。
この楕円の直線と楕円の交点が、既に作図した2本の線に接するように配置します。
不要部分を削除し、成形します。
作図した部分を6mm/30°方向にコピーします。
下のR部分の稜線を作図します。
コピーした直線の左上のアンカーポイントをAキーで選択し、38-23.5-4(C4の分)mm=10.5mm/150°方向に延長します。
下図の角から22-4(C4の分)mm/30°方向に直線を引き、つなげます。
同様に下図の角から22mm/30°方向に直線を引き、成形します。
Z面の長丸穴を描きます。
下図の位置に5mm楕円(Z面)を配置します。
4.5mm/150°、7mm/30°に移動し、9mm/30°にコピーします。
”共通接線”を適用し、不要部分を削除します。
部分投影図の円柱を描きます。
右下の部分に2本の補助線を引きます。(Z軸方向とY軸方向)
交点に10mm楕円を配置(X面)し、23.5mm/150°、5mm/270°に移動します。
16mm/30°方向に移動し、彩度6.5mm/210方向にコピーします。
奥の楕円の中心から90°方向と330°方向に楕円と交差するところまで直線を引きます。
それぞれの交点から210°方向に隣の楕円との交点まで直線を引きます。
円柱の稜線も追記します。
不要部分を削除し、中心の線を加筆して完成です。
いかがでしょうか。
では。
![]() |
![]() |
![]() |
![]() |





