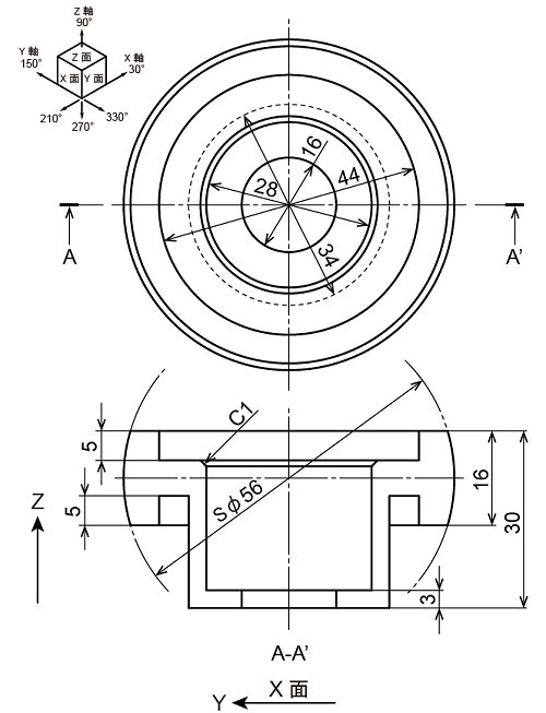
今回の図面は、以下の様なものです。
球体の一部を切り出したような形状ですね。
それでは...。
直径56mmの球を書きます。
その中央に10mm楕円を配置し560%に拡大すると、球と接する35°楕円になります。
本体の厚みが振分けで16mmですので、56mm楕円と10mm楕円を8mm/90に移動させます。
56mm楕円を選択ツールでShiftとAltキーを押しながら左右どちらかのアンカーポイントを内側にドラッグします。
すると左右対称に縮まりますので、円に接する所まで縮小させます。
この時正確に接するまでは無理ですので、ある程度でOKです。
少しでも正確にと思うのであれば、Ctrl+Yでアウトライン表示にして作図すれば多少は良くなります。
今縮小した楕円を、16mm/270°にコピーします。
球体と下の楕円の不要部分を削除します。円と楕円は確実に接しているわけではないので、その辺は適切?な所で切断してください。
10mm楕円を160%、280%、C面取り部分の300%、340%、440%にそれぞれ拡大コピーします。
φ44、φ30、φ28楕円を5mm/270°にコピーして、不要部分を削除します。
φ28楕円を1mm/270°に移動し、C面取りを作成します。
φ16楕円を27mm/270°に移動、φ28楕円を21mm/270°にコピーしますが、見えないようですので削除します。
φ34楕円を30mm/270°に移動して、成形して完成です。
ラインウェイトを付けると以下の様です。
今回の課題では、球体の一部を切り出す時に楕円をどう扱うかという事が要点でした。
楕円サイズが明確になっていないので、手動で楕円の大きさを調整しました。
この方法は、円錐などの場合にも使えると思います。
参考:https://ti-master.biz/custom100.html
では。

