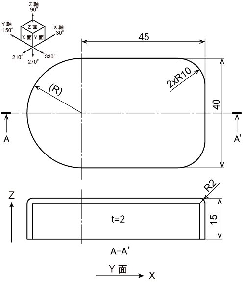
今回の図面は、以下の様なものです。
非常にシンプルです。
なぜ今更こんな単純な形状なの?と疑問に感じる方もいらっしゃるかもしれません。
平面図を書いて15mm上下どちらかにコピーすれば出来てしまう?
...
以下の部分を見てみてください。
角にR2が付いています。
今まで出てきた多くの形状では、このような所にRは付いていなかったのです。
では、これどう書きましょう?
...
φ4の球の包絡線という考え方をします。
まず平面図を書きますが、図面下の断面図でt=2となっていますので直径で4mm小さい楕円も書いていきます。
内側の形状を15-2=13mm/90°に移動します。これが包絡線を描くための中心線になります。
ここに半径2mmの球に見立てた正円を配置します。もちろん等測図ですので直径4mmの円を122%にします。
その円を水平方向に1つコピーします。
ブレンドオプション(Wキーを押してENTER)で以下の様な設定でOKクリック。
そのまま2つの円の中心を続けてクリックします。
次に、先程コピーした内側の形状を選択し、コピー(Ctrl+C)、ロック((Ctrl+2)、ペースト(Ctrl+F)します。(消したくないのでロックをかけました)
その形状の1箇所(どこかのアンカーポイントで可)をはさみツールで切ります。
(連続した形状ではブレンドできないため)
切った形状とブレンドした円の両方を選択し、ブレンド軸を置き換えを実行します。
この並んだ円の上側の半分と接する位に最初に描いた外形を垂直上方にコピーします。
実際にはコピーで作るのではなく、新たに線を引くのが正解かと思いますが、お手軽に済ませました。
ブレンドした円を削除し、左右の稜線を引きます。
内側の形状は表上面から2mm下に位置していますので、ロック解除(Ctrl+Alt+2)して2mm/90°に移動します。
手前側の線の位置は、実際には少し下になります。
これは、丁度3Dでいう正接エッジの位置で良いかなと思います。
正接エッジとは、曲率が違う面の境目に入る線の事で、下の図で矢印の位置は局面と平面の境となり、この位置で良いかと思います。
今の前面の線を削除して、下面から13mm/90°にコピーして整理します。
Rがあるので、ハイライトを入れて丸みを表現します。
線を整理して完成です。
角に丸みがある場合は、今回のように連続した円(球)の包絡線で結んで作図する事になります。
まあ、業務では時間かけられないのでおおよそになるのが通常でしょうか?
では。

