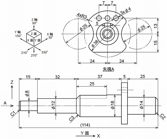
今回の図面は、以下の様なものです。
側面図を側面に置くと図面が横長になりすぎて画面上では見にくいので、矢視Aとして上に置きました。
ご了承ください。
普通のシャフト形状で、途中に象徴的な板形状があるものです。
この象徴的な部分から書いていくことにします。
まず、10mmの35°楕円を書き、180%、380%に拡大コピーします。
10mmの35°楕円を150°・330°方向に24mmコピーします。
それぞれ250%に拡大します。
φ38楕円を最背面にし、φ25楕円と3つを選択してパスファインダーの前面オブジェクトで型抜きを実行します。
R3の4か所を丸めますが、これは手探りでほどほどの感じで良いと思います。
次に上の3つの穴。
10mm楕円を13mm/90°にコピーして、40%に縮小後、150°・330°方向に7mmコピーします。
厚さ5mm分、30°方向にコピーして稜線を引き、不要部分を削除します。
|
インクジェットプリンターの購入後の最大のネックはインク。とにかく高いしすぐ切れる! でもこのプリンター、カラー7700枚、ブラック12000枚分のインク同梱! 購入後のインクの心配が激減! |
φ18とφ10楕円を37-3mm/210°にコピーします。
φ10楕円を3mm/210°に移動し、120%に拡大コピーします。
とりあえず、ここまでの稜線を引き、不要部分を削除します。
φ12とφ10楕円を32mm/210°にコピーし、稜線を引いて不要部分を削除します。
φ10楕円を80%に縮小コピーし、15-1mm/210°にコピーます。
φ10楕円を60%に縮小コピーし、15mm/210°に移動ます。
稜線を整理します。
残している10mm楕円を114-15-2mm/30°方向に移動し、140%に拡大コピーします。
10mm楕円を2mm/30°に移動し、稜線を引いて整理します。
円柱(シャフト)部分の楕円は、10mm楕円のコピー&拡大縮小を繰り返すことで簡単に書けますね。
次に、キー溝のような部分です。
φ12の半楕円を25mm/30°にコピーし、かつ、φ18の半楕円も22mm/30°にコピーします。
幅5mmを求めるのに、10mm楕円を削除してしまいましたのでφ12楕円の再生をします。
φ12半楕円を選択し、Oキー(リフレクト)を押し、φ12半楕円の片方の端点をクリックし、続けてAltキーを押しながらもう一方の端点をクリックします。
そうするとφ12楕円が再生すると思います。つまり反転コピーしたのです。
ただこれだけでは縦方向の中心が判らないので、2つのφ12半楕円を選択し、Ctrl+Jで結合すれば楕円の中心が復活します。
縦方向の中心線を引き、幅5mmを求めます。
5mm幅の縦線を22mm・25mm/210°にそれぞれコピーします。
線を整理します。
ラインウェイトを付けると以下の様です。
では。

