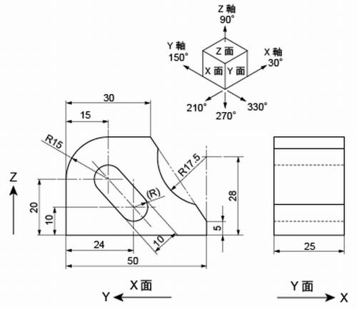
今回は以下のような形状をテクニカルイラストで描いてみましょう。
台形状の形状を円柱で削りますが、その円柱の中心が空間にある場合の作図です。
まず、X面を描きますが、とりあえずR部分は無視します。
高さは直接的には明示されていませんが、穴位置の20mmと半径15mmの合計ですので35mmという事になります。
上記の状態まで描いたら、Ctrl + Jキー(連結)で連結しておきます。
次にR17.5を描きます。
底面から28mmの位置が中心ですので、とりあえず¥キー(直線ツール)で28mmの補助線を描きます。
35°楕円を作成し、R17.5ですのでSキー(拡大・縮小ツール)で350%に拡大します。
その後、X面ですのでRキー(回転ツール)で120°回転させて、補助線の終点のアンカーポイントに置きます。
最初の台形と楕円を選択し、パスファインダーの前面オブジェクトで型抜きをクリックします。
縦の補助線は必要ないので削除します。
次にR15の丸みを描きます。
35°楕円をSキー(拡大・縮小ツール)で300%に拡大し、Rキー(回転ツール)で120°回転させます。
その楕円を左上の頂点に置きます。
選択状態から、270°方向に15mm、330°方向に15mm移動させます。
楕円の中心線を描いて、楕円との交点を用いて不要部分を削除します。
この補助線の交点が、φ10の長丸穴n中心にもなります。
35°楕円をRキー(回転ツール)で120°回転させて、上記補助線の交点に置きます。
10mm楕円を、270°方向に10mm、330°方向に9mmコピーします。
10mm楕円2個を選択し、先日の共通接線のスクリプトを起動します。
すると下図のようになります。
不要な接線を削除し、2本の接線を選択してCtrl + Jキー(連結)押下。
10mm楕円2個も選択し、パスファインダーの形状モード:合体をクリックします。
補助線を削除し、Vキー(選択ツール)で全体を選んで、25mm、30°方向にコピーします。
線の過不足を調製して完成です。
では。
![]() |
![]() |
![]() |
![]() |





