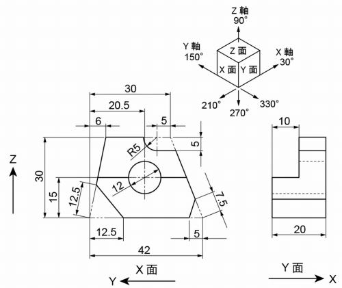
今回は以下のような形状をテクニカルイラストで描いてみます。
斜面を含んだ部分の面取りがあるような形状です。
まず、X面で最大の大きさの四角形を描きます。
幅42mm、高さ30mmです。
上側奥の角は6mm、330°方向へシフト、上側手前の角は寸法の差から12mm、150°方向へシフトします。
下側奥の角は-Y軸方向に12.5mm、斜面も斜面に沿って12.5mm削られていますが、斜面の12.5mmはどうやって測ればよいでしょう。
このような場合は35°楕円を使用します。
とりあえず、下側奥の角に10mm楕円を配置します。
この角がなくなると、中心の楕円を描くのが面倒になるので、とりあえずこの10mm楕円を90°方向に15mm、330°方向に20.5mmコピーしておきます。
下側奥の角の面取りの距離は、Y軸方向も斜面の方向も半径12.5mmですので、10mm楕円を250%にして直径25mmの楕円を作成します。
テクニカルイラストにおいて楕円は三角法での円と同じで、半径方向は全て同じ距離と言うことです。
つまりY軸方向も斜面の方向も、楕円で囲まれた長さはどちらも12.5mmとなります。
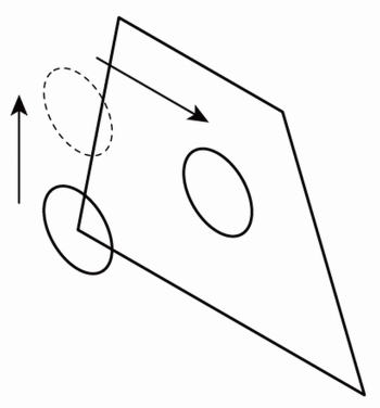
これを切ってつなげると下図の様になります。(判りやすいように楕円を破線で残してあります)
同様に、下側手前は直径10mmと15mmの楕円を配置します。
それぞれ短くしてつなげます。
上のR5で削られた部分ですが、中央に配置した10mm楕円を使用しましょう。
90°方向に15mm、330°方向に4.5mmコピーします。
Pキー(ペンツール)で楕円中心にカーソルを合わせ、そこから270°方向にずらすと下図の様にガイドが出ます。
楕円と交差したところでクリックし、330°方向で斜面の線と交差するところまで直線を引きます。
不要部分を削除すると下図のようになります。
中央の10mm楕円の中心を通る、Y軸方向の直線を引きます。
下図の様に20mm、30°方向にコピーします。
前面において、直線と交差する全ての線を、この直線のところでCキー(はさみツール)を使用して切断し、上側の部分を10mm、30°方向に移動します。
線の過不足を調製して完成です。
では。
![]() |
![]() |
![]() |
![]() |





