六角ボルト以外のネジ部品(締結部品)の描き方です。
目次
- 1.六角穴付ボルト
- 2.十字穴付皿小ねじ(ボルト)
- 3.蝶ボルト
■六角穴付ボルト
六角穴付ボルトとは、上の写真の様なボルトです。
六角穴付ボルトを含め、六角ボルト/六角ナット以外の締結部品は、テクニカルイラストレーションで明確に描き方が指定されているものはありません。
従いましてある程度でOKということになります。
しかしあまりテクニカルイラストを描かない方々には、どのように描けばよいか判らない方もいらっしゃると思います。
ここでは呼び径(M)と長さ(L)が指定されている場合のおおよその考え方を考えてみます。
もちろん図面が指定されていて長さがきちんと示されている場合は、それに従って描いてください。
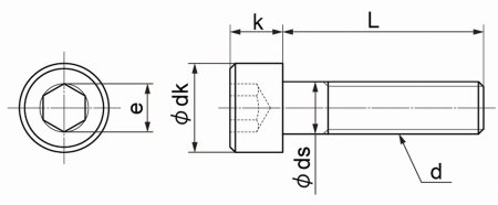
六角穴付ボルトの図面はおおよそ以下のようになります。
正確にはもう少し指定される寸法は多いですが、テクニカルイラストを描く上で必要な寸法のみ載せてあります。
それぞれ寸法の値は、JIS(日本産業規格)で以下のように定められています。
全て載せていたら大変なので抜粋です。
ここからねじの呼び(dの値)のみで他の数値をおおよそで求めると、
●φdsおよびk:ねじの呼びと同じ
●φdk:ねじの呼びの1.6倍
●e:ねじの呼びの0.9倍
という感じなります。
もっと大きな呼びの場合はまた違ってしまいますので、この程度の感じで描いて出来上がり後調整することでよいと思います。
それでは、おおよその値でM10ねじを描いてみます。Lは30mmとします。
①.10mm楕円を描きます。
②.同じ場所に160%の楕円を拡大コピーします。
③.2つの楕円を10mm/90°方向へコピーします。
④.頭部分の稜線をひき、不要部分を削除します。
⑤.下の10mm楕円を30mm/270°方向へ移動させます。
⑥.移動させた10mm楕円の不要部分を削除し、ある程度の距離で90°上方へコピーします。今回はブレンド10としました。
⑦.ねじ部の稜線をひきます。
⑧.多角形ツールで、適当な大きさの六角形を描きます。六角形の頂点が上を向かない方向にします。
⑨.頭の楕円と中心が合うように、六角形を移動させます。
⑩.選択ツールで六角形を選択し、ShiftキーとAltキーの両方を押しながら、六角形の横の頂点が10mm楕円の横のアンカーポイントと一致するところまで拡大させます。
⑪.六角形を縦方向のみ58%に縮小させます。
⑫.不要な楕円を削除し、縦の線を2本描いて完成です。頭が少し高いような感じなので、少し縮めました。
頭の面取り、または丸みが付いているのが一般的ですが、テクニカルイラストでは普通描きません。
また、頭には一般的に滑り止めの平目ローレットが施してありますが、これもイラストでは通常描きません。
反対方向から見たテクニカルイラストは、六角ボルトの時と同じように描きます。
今回の場合は、頭は単なる円柱ですが...。
■十字穴付皿小ねじ(ボルト)
十字穴付皿小ねじ(ボルト)とは以下の様な形状をしています。
十字穴付皿小ねじと十字穴付皿ボルトの違いは、どうもM8くらいを境に小さいものが小ねじ、大きいものがボルトというようです。
いわゆる、止める場所でねじ頭を飛び出させたくない場合に使用するねじですね。
まあ、座ぐりを掘って頭隠せば、六角ボルトでも六角穴付ボルトでも頭は飛び出ませんが...。
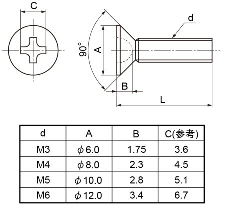
十字穴付皿小ねじの図面および寸法は以下の様な感じです。
呼び径と各寸法にあまり規則性は無いので、これはM6で描いてコピー時に拡大/縮小および伸縮して使用するのが良さそうです。
それではM6で描いてみます。
①.10mm楕円を描き60%に縮小コピー、120%に拡大します。
②.12mm楕円を図のように6mm楕円が少し見えるところまで90°上方にコピーし、さらにもう少し上にコピーします。
③.真ん中の12mm楕円と6mm楕円の間で接線を引き、不要部分を削除します。
④.とりあえず今回はL=10としたいと思いますので、6mm楕円を270°方向に10mmコピーします。
⑤.不要部分を削除して、ブレンド等でねじ目を作成します。
⑥.直線ツールで水平方向に6.7mmの直線を引き、そのまま90°回転コピーします。
⑦.先端を“バット先端”とし、線幅を5ptくらいにします。
⑧.オブジェクト→パス→パスのアウトラインを選択します。その後Shift + Xを押して線と塗りを反転させます。
⑨.パスファインダーで合体させます。
⑩.内側の4つの角を“スクリプト”の“角を丸くするplus”でRを付けます。今回は3mmにしました。
“角を丸くするplus”のスクリプトはこのサイトのどこかで使用したかもしれませんが、とりあえずこちらに置いておきます。
⑪.できた十字を45°回転させ垂直方向58%に縮小します。
⑫.ねじ頭の中央に“整列”等を使用して配置します。
⑬.奥行方向の線を足して完成です。
逆さからのイラストは以下の様になります。
①.10mm楕円を描き60%に縮小コピー、120%に拡大します。
②.12mm楕円を少し下にコピー、Bの値が3.4mmですので6mm楕円を4mmほど90°方向へ移動させます。
③.6mm楕円を90°方向へ10mmコピーし、ブレンド等でねじ目を描きます。
④.ねじ部の稜線と、12mm楕円と6mm楕円との間で接線を引きます。
⑤.不要部分を削除して完成です。
ねじ頭とネジ部の間のくびれはあまり描きません。描いてもあまり関係が無いからです。
逆見は十字穴が無いので簡単ですね。
■蝶ボルト
蝶ボルトとは上の写真のように、手で回せるように羽の様な形状の物が付いているボルトです。
羽の様な形状は、角ばったものだったり円形をしていたりと様々です。
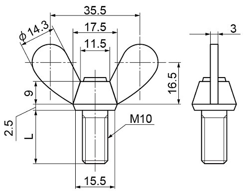
蝶ボルトの図面は以下の様なものが一般的です。
寸法の値の抜粋は以下のようになります。
ここからねじの呼び径(d)のみで他の数値をおおよそで求めようとしましたが、何だか一定の法則っぽいものが無く何とも...。
そこで、上の図面ってミッキーマウスみたいで結構カッコよくないですか?(自画自賛...)
という訳で、この図面のねじの呼び径dを10mmになるように拡大して、それぞれの寸法を測ると以下の様になります。
これをそのままテクニカルイラストにして、コピーして使用する時に拡大/縮小およびねじ部の伸縮を行う事で使用できるようにできればと思います。
①.10mm楕円を作り175%に拡大コピーします。
②.10mm楕円を2.5mm下方のコピーし、そのまま155%に拡大します。
③.元の10mm楕円を9mm/90°方向へ移動し、115%に拡大コピーします。
④.作った2つの楕円間で接線を引きます。
⑤.1直線ツールで35.5mm/330°の直線を作成し、7.5mm楕円の中央に整列を使って合わせます。
⑥.その直線を9mmおよび16.5mm/90°方向へコピーします。
⑦.X面上で143mm楕円を作成し、先程の直線の両端点に合わせます。
⑧.3本の直線と2つの楕円を、1.5mm/210°方向へ移動させます。
⑨.下2本の直線と175mm楕円と115mm楕円の交点をそれぞれ結びます(赤線)。その後赤線の上の端点と2つの楕円間で接線を引きます(緑線)。
⑩.下側のラインは丸みを帯びているので、下の直線と17.5楕円との交点からそれぞれの楕円との間で調整して、円弧を描きます(水色線)。
⑪.不要な線を整理します。
⑫.羽部分を3mm/30°方向へコピーし、稜線等で厚みを完成させます。
⑬.上の10mm楕円を41.5mm/270°方向にコピーします。(今回はL=30mmとしました)
⑭.コピーした楕円の上半分を削除し、適当なところまで上方こぴーしてブレンド等でねじ目を作成します。
⑮.上の10mm楕円を90%程度にして凸部分を作成し、不要部分を削除して完成です。
逆さからの描き方は、上記の手順で逆さにすれば良いだけですから簡単ですね。
完成図が以下のとおりです。
いかがでしょうか。

