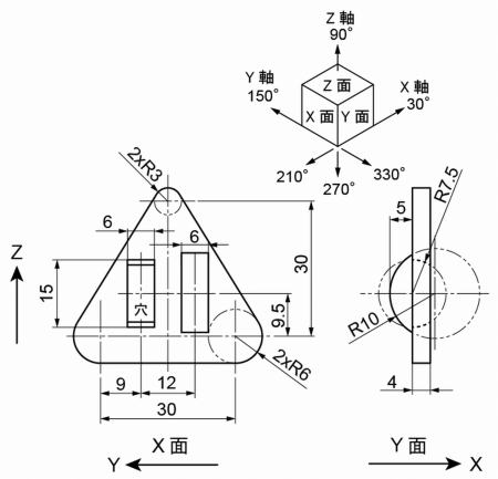
今回は、三角形の板に穴と出っぱりがある形状をテクニカルイラストで描いてみます。
穴の形状がちょっと面倒ですかネ。
まず、X面の角丸の三角形を描いてみます。
下が2xR6ですから直径12mmの楕円をピッチ30mmで配置します。
上側の楕円は中心線が下まで通っていますので、三角形の中心ということです。
従いまして選択状態の楕円を15mm、150°方向にコピーし、そのまま30mm、90°方向に移動。
サイズを50%にすれば出来ます。
3つの楕円を接線で結び(以前の共通接線スクリプト)、不要な線を削除します。
3本の線を選択してCtrl + Jキー(連結)で連結します。
ここで図面をよく見ますと、中央付近の穴と出っ張りの位置の基準は下の楕円の中心にあります。
ですので、とりあえず補助線として中心線を描いておきます。
3つの楕円と連結した線を選択し、パスファインダーの合体で1つにします。
これを4mm、30°方向にコピーし、板状の形状を完成させます。
線を使用して、手前側の出っ張りを作成します。
縦の補助線を9mm+12mm=21mm、330°方向へコピーし、中心からの振り分けですので3mm、330°方向にコピーします。
下からは楕円の中心から9.5mm、90°方向にコピーします。
出っ張りの半径が10mmですので、直径20mm楕円を作成し、Y面への貼り付けですので60°回転させます。
中心から210°方向へPキー(ペンツール)で直線を引き、その交点を先ほど求めた中心線の交点へ配置します。
出っ張りの高さは5mmですので、楕円を5mm、210°方向へ移動させます。
ここで出っ張りの形状を作成してしまい、6mm、150°方向へコピーして完成させます。
次は穴です。
たての補助線を9mm、330°方向へコピーし、中心からの振り分けですので3mm、330°方向と3mm、150°方向へコピーします。
中心線も同様に上下に7.5mmずつコピーします。
トリミングやカット等面倒ですので、Pキー(ペンツール)でトレースして角穴の形状を作ります。
判りやすいように赤で示します。
穴の奥行方向は円弧上になっていますので、直径15mmの楕円を作成し、60°回転させます。
中心位置は角丸三角形の前面の面にありますので、下図の様に楕円の中心を配置します。
穴の奥行は4mmですので、赤い四角を4mm、30°方向にコピーします。
見えなくなる部分を削除します。
線を整理して完成です。
今回は全て見えましたが、テクニカルイラストでは手前側から描くのが常識です。
それは、出っ張りでせっかく描いた穴が見えなくなってしまうかもしれないためです。
では。
![]() |
![]() |
![]() |
![]() |





