今回は、以下の様な平面とR面の接する部分の形状があるものをテクニカルイラストで描いてみます。
この形状ですと、特徴的なのがZ面ですので、今回はZ面から描いていきます。
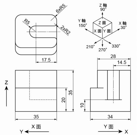
四隅のRはすべて5mmで、かつ一段下がった部分のRも5mmです。
この6つのRを楕円として先に配置していきます。
10mm楕円を作成し、まずY軸方向では楕円のピッチ(中心間距離)が25mmですの、25mm、330°方向へコピーします。
X軸方向は上面がピッチ18mm、1段下がった台の部分がそこから6mmですので、それぞれ210°方向にコピーします。
最初の4つの楕円を選択し、先日の共通接線のスクリプトを実行します。
その後、不要な線を削除します。
4本の線を選択してCtrl + Jキー(連結)で連結します。
その後、連結した線と4つの楕円を選択し、パスファインダーの合体で1つにします。
残った2つの楕円は、それぞれの楕円中心から210°方向への直線と楕円との交点を結びます。
2つの楕円のY軸方向の中心線を引き、楕円との交点から30°方向へ直線を引き、先ほど合体した物との交点まで伸ばします。
不要部分を削除して整えます。
これを270°方向に35-20=15mmコピー、さらに20mmコピーします。
稜線を描き、不要な線を削除して整えます。
上面の右奥のR5の位置に、100mm楕円を配置します。
その後、その楕円を14.5-5=9.5mm、210°方向に移動します。
この楕円をさらに17.5-5=12.5mm、150°方向へ移動させます。
楕円のX軸方向の中心線を引き、楕円との交点から330°方向へ角丸四角形の辺までPキー(ペンツール)で直線を引きます。
不要部分を削除します。
R2の角の丸みを描きます。
4mm楕円を作成し、X軸・Y軸方向の中心線を引きます。
楕円と中心線との交点を、下図の様に線に接するように配置します。
もう一方の交点をドラッグし、X軸方向の線と接するところまで330°方向へ移動させます。
さらに、下図の様に210°方向へドラッグし、もう一方の線に接する所にコピーします。
不要部分を削除します。
U字穴の高さは35-10=25mmですので、作図下部分を25mm、270°方向へコピーします。
下図の様に直線をつなぎます。
不要部分を削除します。
テクニカルイラストとして、実際に線が存在する部分はこれで完成なのですが、手前を向いたR部分が何とも殺風景です。
そこでテクニカルイラストとして実際には無い線を付け加えることがあります。
3Dでは正接エッジが出る部分ですが、テクニカルイラストでは以下のように描く場合があるということです。
この線を描く場合に、あくまでも私のこだわりですが、より上側、より手前側の空いている部分を向こう側より大きくとります。
ちょっとだけ遠近法(透視投影法)を加味した描き方で、これが正解と言うことではありませんのであしからず...。
では。
![]() |
![]() |
![]() |
![]() |





