テクニカルイラストレーターの!!!
テクニカルイラスト情報発信サイト
テクニカルイラストという種類のイラストをご存知でしょうか。当サイトはテクニカルイラスト(アイソメ図)の描き方についてご説明しています。
トップ
›
テクニカルイラスト練習問題
›
テクニカルイラスト練習問題(部品図編)その1
2019.5.30
~
累計:
本日:
昨日:
テクニカルイラスト練習問題(部品図編)その1
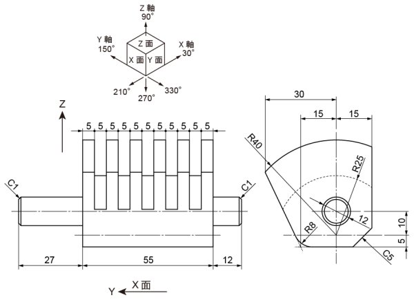
【課題001】
課題図(PDF)
/
標準解答図(PDF)
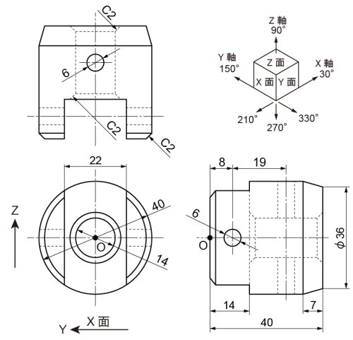
【課題002】
課題図(PDF)
/
標準解答図(PDF)
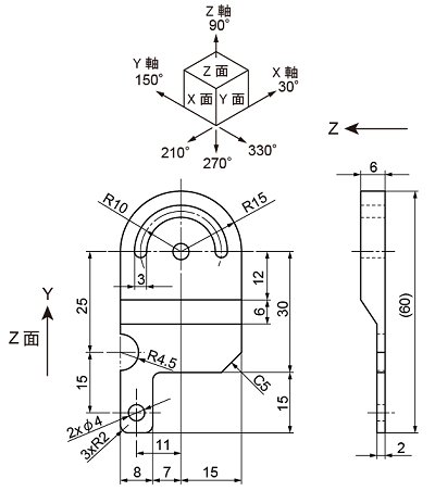
【課題003】
課題図(PDF)
/
標準解答図(PDF)
【課題004】
課題図(PDF)
/
標準解答図(PDF)
【課題005】
課題図(PDF)
/
標準解答図(PDF)
特許図面~こんな感じで描いちゃいます~
メニュー
コンテンツへスキップ
オーナーブログ:24_05_06更新
テクニカルイラスト関連セミナー
テクニカルイラストとは?
テクニカルイラスト描画法・基本編
テクニカルイラスト描画法・中級編
テクニカルイラスト練習問題
テクニカルイラスト技能検定試験とは?
一歩先行くテクニカルイラスト
各種テクニカルイラスト情報
特許図面を描いてみよう!
Illustratorのちょい技集
サイトマップ
各種お問合せフォーム