今回の図面は、以下の様なものです。
まず挑戦したい方は以下をスキップして、上のリンクから課題図を入手して描いてみてください。
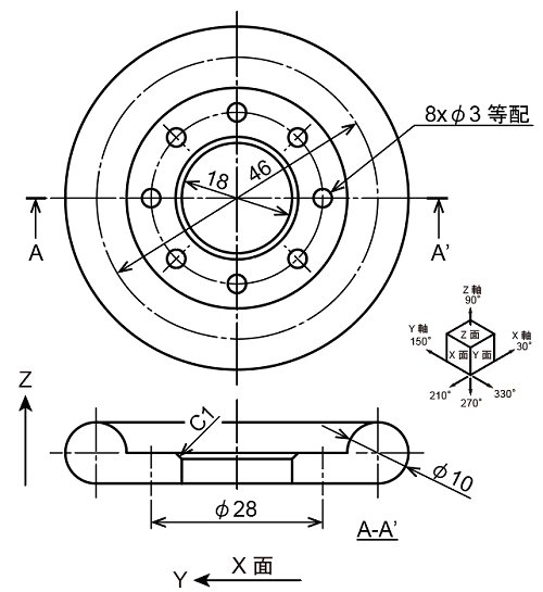
円環体の内側に、円環の半分の高さの底があって、穴が開いているという形状です。
まずはわかりやすい中央部分の平面的な部分を描きます。
8等分でアイソメ方向のみで済みますので、平面のアイソメ変換ではなく最初から斜視図で描いていきます。
46mm-5mm-5mm=36mmで、φ36楕円を描きます。
φ3の中心線がφ28です、中央がφ18のC1ですのでφ20です。φ18は1mm下げて成型し、4mm下げて底の楕円も描きます。
X,Y,Z軸と水平線を描きます。
この各線とφ28の楕円の交点が、φ3の穴の位置になります。
次に、外側の円環体を描いていきます。
円環体の中心は、今描いた中心部の上面の中心ですので、直線3本の交点です。
φ46楕円を中心に合わせて描きます。
ここからですが、円環体は球の連続した集まりと考える事が出来ます。
そこで、φ10の球(正円)を描き(122%必須です)、それをこの中心線上に並べます。
中心線を実線にし(今回一点鎖線にしてしまいましたので...)、今描いた球の外側の幅に合わせます。
縦方向も合わせます。
よく見ると、赤丸で囲った部分の円(球)が楕円よりはみ出しています。
ここは楕円のハンドルを操作して、円に合わせて少し上下に膨らませます。
これで外側は完成で、次に内側です。
内側の向こう側は、最初に書いたφ36楕円と同じです。
これは、円環体の中央が向こう側の線になるからです...説明わかるかな?
ですので、φ36楕円を左右の中央線で切断して、手前側だけ操作します。
手前側の楕円の中央のアンカーポイントをその位置の円(球)と合うように、半楕円を上にずらします。
アンカーポイントやハンドルを操作して、円(球)に沿うようにします。
不要部分を削除します。
下側が手前側となりますので、上側の半楕円の交差している部分を少し切って削除します。
不要部分を削除し、ラインウェイトを付けると以下の感じです。
この描き方は円環体だけでなく、先日のキャップ等の場合にも有効でした。
https://ti-master.biz/custom803.html
但し、円環体ならOリングの時も描いています。
https://ti-master.biz/custom502.html
この2つ目の線の太さを変えて作る描き方です。
是非挑戦してみてください。
では。

