テクニカルイラストレーターの!!!
テクニカルイラスト情報発信サイト
テクニカルイラストという種類のイラストをご存知でしょうか。当サイトはテクニカルイラスト(アイソメ図)の描き方についてご説明しています。
トップ
›
テクニカルイラスト練習問題
›
テクニカルイラスト練習問題(外観図編)
2019.5.30
~
累計:
本日:
昨日:
テクニカルイラスト練習問題(外観図編)
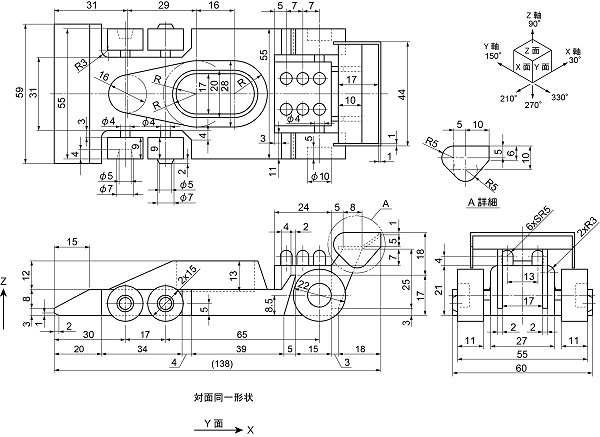
【練習問題1】
練習問題1.pdf
解答例1.pdf
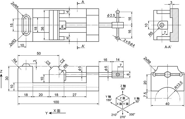
【練習問題2】
練習問題2.pdf
解答例2.pdf
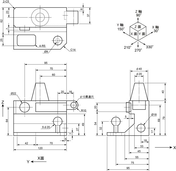
【練習問題3】
練習問題3.pdf
解答例3.pdf
【練習問題4】
練習問題4.pdf
解答例4.pdf
【練習問題5】
練習問題5.pdf
解答例5.pdf
特許図面~こんな感じで描いちゃいます~
メニュー
コンテンツへスキップ
オーナーブログ:24_05_06更新
テクニカルイラスト関連セミナー
テクニカルイラストとは?
テクニカルイラスト描画法・基本編
テクニカルイラスト描画法・中級編
テクニカルイラスト練習問題
テクニカルイラスト技能検定試験とは?
一歩先行くテクニカルイラスト
各種テクニカルイラスト情報
特許図面を描いてみよう!
Illustratorのちょい技集
サイトマップ
各種お問合せフォーム