今回は以下の様な部品です。
一つ目達磨といったところでしょうか?
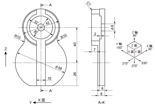
右側の図面はA-A’断面です。
まずは凹んだところを無視して大まかに形状を描いていきます。
40mm離してφ58とφ42の楕円を描きます。
新JISでは明らかに円であると判る所にはφは付けなくて良い事になっていますので、この図面の上側のφは省略してあります。
上下の楕円を滑らかにつなぐR10ですが、ある程度の所に両方の楕円に接する楕円を描けば良いです。
きちんと描きたい場合は以下の様に考えます。
R10ですので直径は20mm。
φ42の中心にφ62の楕円、φ58の中心にφ78の楕円を描きます。
この交点にφ20の楕円を置けば良い事になります。
楕円は後から流用しますので、この時点で不要部分を削除するのはやめておきます。
下図のように8mm、7mmづつ210°方向にコピーします。
C1を描きます。
φ42でC1ですから、前面の楕円はφ40です。φ40を描いた後、φ42楕円を1mm/30°方向へ移動させます。
ここまで描くと図面上左のR10は見えないことがわかりますので削除します。その後右側のR10を完成させます。
この時、図面で真ん中の幅10mmは一番上まで続いていますので、下図の赤線部分は残しておきます。
φ58な中心にY軸方向の中心線を引き、26mm下方へ移動して一番下の平面を作成します。稜線も加筆します。
幅10mmの溝を描きます。
φ40楕円のZ軸方向の中心線を描き、左右5mmずつコピーします。この2本を7mm/30°方向へコピーします。
さらにこの2本を2mm/30°方向へコピーし、それに合わせて赤い楕円弧を2mm/30°方向へ移動させます。
不要部分を削除し、線を整理します。
先程、φ42楕円を消しすぎてしまいました(達磨さんの首元)ので、残っているφ42楕円を6mm/30°方向へコピーして線を整理します。
奥行方向の線を加筆します。
φ32楕円を描き、それに合わせて線を加筆します。
φ26楕円を描き、φ32楕円と共に9mm/30°方向にコピーします。
線を整理します。
φ26楕円を2mm/30°方向にコピーし、その中央にφ8楕円を描きます。
不要部分を削除して完成です。
では。

